Pregled proizvoda
Naš robot za automatsko zavarivanje (model: CRP-RH21-06-W) je projektiran za visoku učinkovitost i preciznost u industrijskim aplikacijama zavarivanja. Kombinirajući naprednu motornu tehnologiju i inteligentnu optimizaciju softvera, ovaj robot pruža iznimnu brzinu i točnost dok održava robusnu zaštitu u zahtjevnim okruženjima. Njegov kompaktni dizajn i integrirano upravljanje kabelima osiguravaju besprijekoran rad u ograničenim prostorima, što ga čini idealnim rješenjem za automatizirane proizvodne linije zavarivanja.
Funkcionalne značajke
● Visoka-brzinska izvedba
Opremljen-motorom velike brzine i optimiziranim softverom, ovaj robot radi 20% brže od prethodnih generacija, značajno skraćujući vrijeme ciklusa i povećavajući produktivnost.
● Kompaktan i pristupačan dizajn
Uz manju težinu i manju podlakticu, robot postiže vrhunsku dostupnost složenim zavarenim spojevima i uskim prostorima.
● Poboljšani sustav zaštite
Poklopci otporni na prašinu na osovinama 1 i 2, u kombinaciji s potpuno zatvorenim pištoljem za zavarivanje, pružaju maksimalnu otpornost na prskanje i krhotine, produžujući životni vijek robota.
● Struktura šuplje osi
Osi J4 i J6 imaju šuplji dizajn kompatibilan sa šupljim pištoljima za zavarivanje, smanjujući smetnje kabela i pojednostavljujući održavanje.
● Integrirano upravljanje kabelima
Ugrađene-korisničke linije, plinske cijevi i kabeli za zavarivanje osiguravaju glatku vanjštinu, smanjujući nered i povećavajući izdržljivost u -intenzivnim radnim procesima.
Tehnički parametri tijela robota
|
Model |
CRP-RH21-06-W |
|
|
Ruka oblik |
Vertikalni višestruki spojevi |
|
|
stupanj od sloboda |
6 os |
|
|
Maksimalno nosivost |
6 kg |
|
|
Maksimalno putovanje |
J1 |
士168 stupnjeva |
|
J2 |
-50 stupnjeva ~170 stupnjeva |
|
|
J3 |
-78 stupnjeva ~150 stupnjeva |
|
|
J4 |
-190 stupnjeva ~190 stupnjeva |
|
|
J5 |
-110 stupnjeva ~130 stupnjeva |
|
|
J6 |
士190 stupnjeva |
|
|
Maksimalna brzina |
J1 |
180 stupnjeva /S |
|
J2 |
180 stupnjeva /S |
|
|
J3 |
205 stupnjeva /S |
|
|
J4 |
430 stupnjeva /S |
|
|
J5 |
430 stupnjeva /S |
|
|
J6 |
630 stupnjeva /S |
|
|
Dopušteni zakretni moment |
J4 |
10N.m |
|
J5 |
10N.m |
|
|
J6 |
3N.m |
|
|
Dopušteni moment tromosti |
J4 |
0,25 kg.m² |
|
J5 |
0,25 kg.m² |
|
|
J6 |
0,05 kg.m² |
|
|
Ponovljena točnost pozicioniranja |
土0 .08mm |
|
|
Maksimalna dosegnuta udaljenost |
2093 mm |
|
|
Tjelesna težina robota |
260 kg |
|
|
Način instalacije |
Uzemljenje, montaža naopako, montaža na zid |
|
|
Sučelje tijela |
Rezervirano IO |
16Pin |
|
Rezerviran plin |
2*φ8 mm |
|
|
Instalacijsko okruženje |
Temperatura okoline |
0~45 stupnjeva |
| Relativna vlažnost zraka | 20%~80%RH (bez kondenzacije) | |
|
Vibracija |
Ispod 0,5G |
|
|
Drugi |
Instalacija robota mora biti udaljena od: zapaljivih ili korozivnih tekućina ili plinova, električnih izvora smetnji |
|
|
IP razina |
IP54 za tijelo, zapešće IP67 |
|
|
Prednost značajke |
Kompaktna struktura, velika brzina, visoka preciznost, velika proširivost i jednostavan rad |
|
|
Primjena |
Zavarivanje |
|
|
Konfiguracija električnog ormara |
G9 |
|
Dijagram instalacijskog sučelja

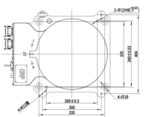
Instalacijske dimenzije baze

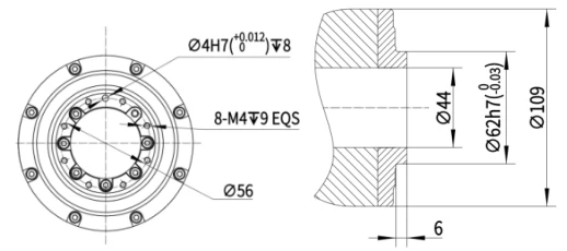
Dimenzije prirubnice
Dijagram radnog raspona



FAQ
P: Koja je ključna prednost optimizacije brzine ovog automatskog robota za zavarivanje?
O: Kombinacija motora velike-brzine i softverskih nadogradnji omogućuje ovom automatskom robotu za zavarivanje da postigne 20% brže vrijeme ciklusa, što ga čini idealnim za-velike proizvodne linije.
P: Kako struktura šuplje osi poboljšava operacije zavarivanja?
O: Šuplje J4 i J6 osi omogućuju upotrebu šupljih pištolja za zavarivanje, smanjujući petljanje kabela i pojednostavljujući pristup zamršenim stazama zavarivanja.
P: Koje značajke zaštite čine ovog robota prikladnim za teške uvjete?
O: S poklopcima otpornim na prašinu na osovinama 1 i 2 i potpuno okruženim pištoljem za zavarivanje, ovaj robot za zavarivanje nudi poboljšanu otpornost na prskanje i onečišćenja.
P: Kako kompaktni dizajn koristi-primjenama zavarivanja u stvarnom svijetu?
O: Manja težina i manja podlaktica poboljšavaju manevriranje u skučenim prostorima, omogućujući robotu da s lakoćom dosegne složene zglobove.
P: Koliki je nosivost modela CRP-RH21-06-W?
O: Broj modela označava nosivost od 6 kg (kao što je označeno s "-06-"), prikladan za rukovanje standardnim alatima i materijalima za zavarivanje.
P: Podržava li robot integraciju s postojećim sustavima za zavarivanje?
O: Da, ugrađene-korisničke linije i plinske cijevi osiguravaju kompatibilnost s uobičajenim perifernim uređajima za zavarivanje, pojednostavljuju postavljanje i integraciju.
Popularni tagovi: automatski robot za zavarivanje, Kina proizvođači robota za automatsko zavarivanje, dobavljači, tvornica

